Our Experience
20+
YEARS OF EXPEnvironmentally Friendly
Dust collecting efficiency reach to 99.9%
Safely Delivered
Delivered to Door and help you to setup
Support Warranty
Support and guidance on using our machines

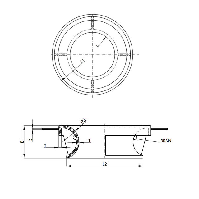
The JIS F 2007 mooring closed chock is also known as the JIS F 2007 mooring pipe, it is one of the bulwarks mounted marine mooring chocks, which is used to guide or lead the mooring ropes. installed on the bulwark of the ships. The material of the mooring pipe is cast steel according to JIS G 5101 which is usually in ZG230-450 in China. Its inside shape of the mooring pipe makes the surface more smooth and can reduce the friction of the mooring ropes. And there are many stiffeners on the chocks to make the mooring chocks or closed chocks have higher SWL and much more stable on the bulwark during installation. It has two types according to its shape, which includes an oval-shaped mooring pipe and a circular shape one. The nominal size of the mooring pipe ranges from 150mm~500mm.
The marine chock is an important mooring equipment. There’re different types of mooring chocks with different standards including ISO, JIS, DIN, NS. SWL will be from 8KN to 3000KN according to your requirements. In the process of mooring ship, it bears huge loads. Usually, the ship bollards and mooring chock are for the whole ship mooring use. The general bow and stern of ship block the bollard fairlead, quantity large. Of intermediate section above without or bollards, fairlead rarely. Fairlead is oblique chock more insurance, because it is closed, the cable will not jump out. The triangle chocks are widely used for small boats and different vessels, such as container vessels, tankers, bulk carriers, tug, dry cargo vessels, etc.


Marine mooring chock has two types: deck mounted chock & bulwark mounted chock. The material is casting steel ZG230-450 normally. IACS approved quality to withstand all conditions. Certificated by BV, ABS, LRS, DNVGL, RS, IRS, CCS, KR, NK, etc. We could also provide you with a customized design with CAD drawings.
| JIS F 2007-1976 Oval Shape Mooring Closed Chock (Type A) | ||||||||||
| Nominal size | Weight | Dimensions(mm) | Wire Rope Dia. | |||||||
| (mm) | (kg) | L | L1 | L2 | H | H1 | H2 | B | C | (mm) |
| 150 | 15.1 | 150 | 300 | 270 | 110 | 260 | 202 | 129 | 40 | 16 |
| 200 | 20.5 | 200 | 368 | 334 | 150 | 318 | 250 | 143 | 42 | 18 |
| 250 | 26.9 | 250 | 430 | 394 | 200 | 380 | 308 | 155 | 44 | 20 |
| 300 | 42.7 | 300 | 500 | 460 | 250 | 450 | 372 | 169 | 52 | 22.4 |
| 350 | 50.8 | 350 | 560 | 518 | 250 | 460 | 378 | 179 | 55 | 24 |
| 400 | 76.3 | 400 | 632 | 586 | 250 | 482 | 394 | 195 | 60 | 26 |
| 450 | 102 | 450 | 700 | 650 | 250 | 500 | 406 | 209 | 62 | 30 |
| 500 | 115 | 500 | 760 | 708 | 250 | 510 | 412 | 219 | 65 | 35.5 |
| JIS F 2007-1976 Circular Shape Mooring Closed Chock (Type B) | ||||||||||
| Nominal size | Weight | Dimensions(mm) | Wire Rope Dia. | |||||||
| (mm) | (kg) | L | L1 | L2 | B | C | R3 | T | (mm) | |
| 150 | 17.5 | 150 | 318 | 288 | 144 | 42 | 72 | 12 | 16 | |
| 200 | 23.5 | 200 | 380 | 346 | 155 | 44 | 78 | 12 | 18 | |
| 250 | 37.5 | 250 | 450 | 414 | 169 | 52 | 85 | 15 | 20 | |
| 300 | 45.5 | 300 | 510 | 470 | 179 | 55 | 90 | 15 | 22.4 | |