Our Experience
20+
YEARS OF EXPEnvironmentally Friendly
Dust collecting efficiency reach to 99.9%
Safely Delivered
Delivered to Door and help you to setup
Support Warranty
Support and guidance on using our machines

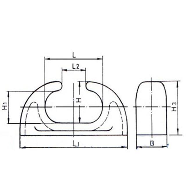
The Open Chock is produced according to the standard of JIS F 2006-1976, it is a special model of the marine mooring chock used for small boats to lead the mooring rope from ship’s inboard to outboard. It also can be applied for military and industrial ships, operating effectively throughout the world. The open chock are always used for small wire ropes or other marine mooring ropes because of its simple design, installed on the decks by welding. The open chocks have two types according to their material including the SC type according to the requirement of standard JIS G 5101, one made by cast steel and the FC type made by cast iron as the requirement of standard JIS G 5501. Both types are deck mounted open chock. We offer better quality with certificates of CCS, DNV, ABS, BV, LR, etc
The marine chock is an important mooring equipment. There’re different types of mooring chocks with different standards including ISO, JIS, DIN, NS. SWL will be from 8KN to 3000KN according to your requirements. In the process of mooring ship, it bears huge loads. Usually, the ship bollards and mooring chock are for the whole ship mooring use. The general bow and stern of ship block the bollard fairlead, quantity large. Of intermediate section above without or bollards, fairlead rarely. Fairlead is oblique chock more insurance, because it is closed, the cable will not jump out. The triangle chocks are widely used for small boats and different vessels, such as container vessels, tankers, bulk carriers, tug, dry cargo vessels, etc.
Marine mooring chock has two types: deck mounted chock & bulwark mounted chock. The material is casting steel ZG230-450 normally. IACS approved quality to withstand all conditions. Certificated by BV, ABS, LRS, DNVGL, RS, IRS, CCS, KR, NK, etc. We could also provide you with a customized design with CAD drawings.

| JIS F 2006 Cast Steel Open Chock (SC Type) | |||||||||||
| Nominal size(mm) | Weight(kg) | Dimensions(mm) | Wire Rope Dia. | ||||||||
| L | L1 | L2 | B | H | H1 | H3 | Wire6*24 | hemp | P.P | ||
| 150 | 10.7 | 150 | 280 | 60 | 80 | 90 | 70 | 118 | 12 | 32 | 20 |
| 200 | 18.1 | 200 | 380 | 84 | 110 | 116 | 92 | 151 | 14 | 38 | 24 |
| 250 | 29.2 | 250 | 460 | 114 | 130 | 136 | 108 | 178 | 16 | 42 | 28 |
| 300 | 44 | 300 | 540 | 140 | 150 | 160 | 124 | 209 | 18 | 50 | 32 |
| 350 | 64 | 350 | 620 | 170 | 170 | 180 | 140 | 235 | 20 | 55 | 36 |
| 400 | 98 | 400 | 700 | 200 | 200 | 200 | 160 | 263 | 22 | 60 | 42 |
| JIS F 2006 Cast Iron Open Chock (FC Type) | |||||||||||
| Nominal size(mm) | Weight(kg) | Dimensions(mm) | Wire Rope Dia. | ||||||||
| L | L1 | L2 | B | H | H1 | H3 | Wire6*24 | hemp | P.P | ||
| 150 | 11.5 | 150 | 400 | 60 | 80 | 85 | 75 | 120 | 12 | 32 | 20 |
| 200 | 19 | 200 | 500 | 80 | 110 | 105 | 96 | 147 | 14 | 38 | 24 |
| 250 | 31.5 | 250 | 600 | 110 | 130 | 125 | 111 | 174 | 16 | 42 | 28 |
| 300 | 47 | 300 | 700 | 140 | 150 | 145 | 127 | 203 | 18 | 50 | 32 |
| 350 | 68 | 350 | 800 | 165 | 170 | 160 | 140 | 225 | 20 | 55 | 36 |
| 390 | 91 | 390 | 900 | 190 | 190 | 175 | 155 | 245 | 22 | 60 | 42 |
| 420 | 130 | 420 | 1000 | 210 | 210 | 195 | 172 | 272 | 22 | 60 | 42 |